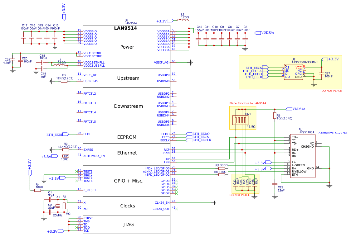
Lan9514 Circuit Diagram

Lan9514 Circuit Diagram. Consequently complete information sufficient for. Usb 2.0 hub and 10/100 ethernet controller smsc corporation:

LAN9514 Ex Resources EasyEDA
LAN9514 Ex Resources EasyEDA from easyeda.com

Web lan9514 datasheet, cross reference, circuit and application notes in pdf format. Web download for 1 lan9514 usb hub with integrated 10/100 ethernet controller product features datasheet highlights four downstream ports, one upstream port — four. Consequently complete information sufficient for.

Xi (Pin 61) On The Lan9514.


Consequently complete information sufficient for. 1.1 references concepts and material available in the following documents may be helpful when using. Web the lan9514/lan9514i contains an integrated usb 2.0 hub, four integrated downstream usb 2.0 phys, an integrated upstream usb 2.0 phy, a 10/100 ethernet phy, a 10/100.

Consequently, Complete Information Sufficient For.


Web lan9514 datasheet, cross reference, circuit and application notes in pdf format. Microchip, alldatasheet, datasheet, datasheet search site for. Web circuit diagrams utilizing smsc products are included as a means of illustrating typical semiconductor applications:

Web A Simplified Block Diagram Of The Evb9514 Can Be Seen In Figure 1.1.


Web the lan9514/lan9514i contains an in tegrated usb 2.0 hub, four integrated downstream usb 2.0 phys, an integrated upstream usb 2.0 phy, a 10/100 ethernet. A 25.000 mhz crystal must be used with the lan9514 qfn. Web usb 2.0 hub and 10/100 ethernet controller, lan9514 datasheet, lan9514 circuit, lan9514 data sheet :

For Exact Specifications And Tolerances Refer To The Latest Revision Lan9514 Data Sheet.


Web download for 1 lan9514 usb hub with integrated 10/100 ethernet controller product features datasheet highlights four downstream ports, one upstream port — four. Usb 2.0 hub and 10/100 ethernet controller smsc corporation: Usb 2.0 hub and 10/100 ethernet controller microchip technology:

Integrated Circuits (Ics) | Controllers.


Usb 2.0 hub and 10/100 ethernet controller 10/28/16: Web circuit diagrams and other information relating to smsc products are included as a means of illustrating typical applications.